联系人:王先生
手机:15358270257
电话:0515-84806679
传真:0515-84806679
网址:www.ycgst.com
邮箱:15358270257@163.com
地址:江苏省盐城市
储气罐
储气罐是一种专门用来储存气体的设备,同时它还起到稳定系统压力的作用。
按承受压力分类:
高压储气罐:能够承受较高的气体压力。
中压储气罐:压力等级介于高压和低压之间。
低压储气罐:承受的气体压力相对较低。
常压储气罐:在常压环境下工作的储气罐。
超高压储气罐:能够承受极高的气体压力。
按材质分类:
碳素钢储气罐:使用碳素钢材料制成的储气罐。
低合金钢储气罐:使用低合金钢材料制成的储气罐。
不锈钢储气罐:使用不锈钢材料制成的储气罐,具有良好的耐腐蚀性和耐高压性能。
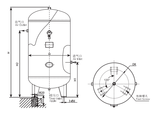
工作原理
储气罐的工作原理是利用罐体的密封性和耐压性,将压缩空气或其他气体储存起来。当需要使用气体时,通过出口阀门将气体释放出来。在压缩空气系统中,储气罐通常安装在空气压缩机和用气设备之间,起到缓冲、储存和稳定压力的作用。

储气罐技术参数

备注:
1、本公司保留技术不断改进之权利,参数变化恕不另行通知。
2、型号规格说明:如LW-1.5/0.8,1.5表示容积为1.5m;0.8表示工作压力为0.8MPa.
联系人:王先生
手机:15358270257
电话:0515-84806679
传真:0515-84806679
网址:www.ycgst.com
邮箱:15358270257@163.com
地址:江苏省盐城市
